返回>>
2MHz換能器(DYW-2M-20)
名稱:2MHz換能器
型號:DYW-2M-20
工作溫度:-40~+80℃
頻率:2MHz±5%
工作電壓:峰值電壓<150Vpp
本產品適用于:超聲波流量計,水下測距儀
全國熱線
0591-28082552
產品詳情
一、換能器的主要技術指標
項目 | 技術指標 | 實物圖片 |
名稱 | 2MHz換能器 |
|
型號 | DYW-2M-20 | |
頻率 | 2MHz±5% | |
最小阻抗 | 6Ω±20% | |
電容量 | 6600pF±20% @1KHz | |
靈敏度 | 探頭驅動電壓:24V、距離:0.3m、 回波幅度:3.0 V | |
工作電壓 | 峰值電壓<150Vpp | |
工作溫度 | -40~+80℃ | |
壓力 | ≤10公斤或者1MPa | |
角度 | (波束寬度)半功率角@-3dB:1.3°±10%, 銳度角:3°±10% | |
外殼材質 | 304 | |
用途 | 超聲波流量計,水下測距儀 | |
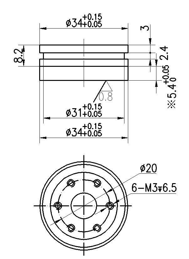
安裝尺寸 | 詳見產品結構圖 | |
防護等級 | IP68 | |
重量 | 75g±5%(線長:1m) | |
接線說明 | 紅:換能器+,白:換能器-,黑:屏蔽線;(默認不帶溫度傳感器) | |
二、換能器的導納曲線圖

三、換能器產品結構圖

上一條
ADCP換能器(DYW-2M-01T)
下一條
水下測距換能器DYW-2M-01G
產品中心
聯系我們
全國咨詢熱線:0591-28082552
QQ:2187169532
手機:18050180580
郵箱:2187169532@qq.com
地址:福建省福州市晉安區福興經濟開發區紅光路11號E座







